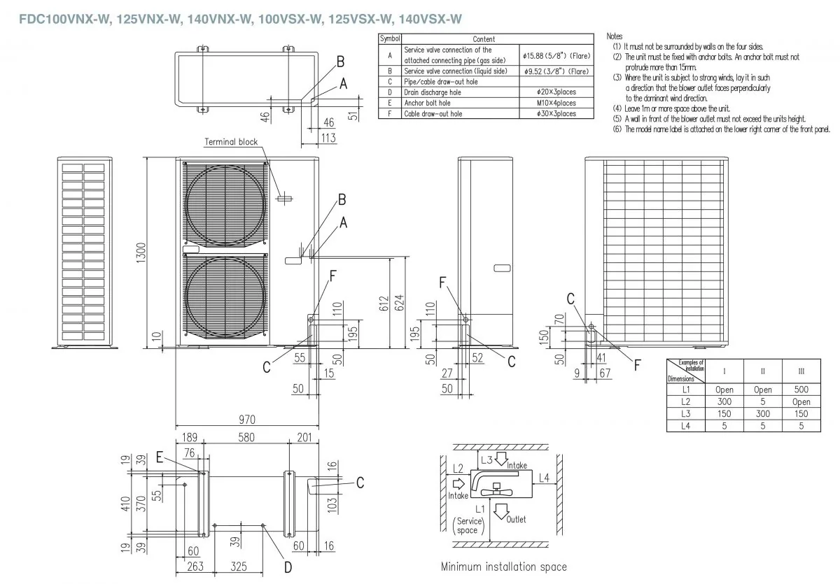
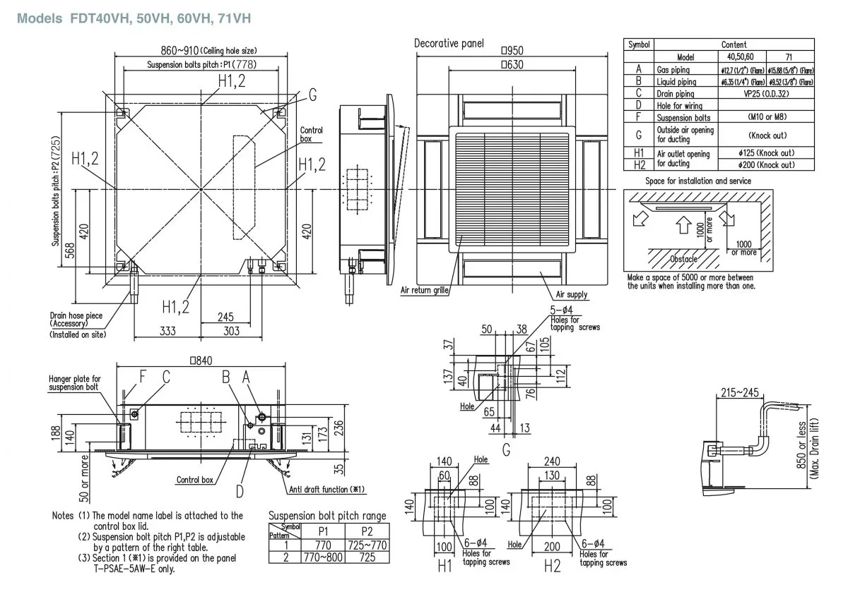
FDT140VNXWTVH

Mitsubishi Heavy Industries

DORIȚI O OFERTĂ PERSONALIZATĂ SAU AVEȚI NEVOIE DE O SOLUȚIE TEHNICĂ?

ATX HVAC DISTRIBUTION cu o experiență de peste 17 ani vă propune și vă oferă soluții complete pentru proiectele de climatizare și ventilație și este distribuitor și partener al gamei profesionale Mitsubishi Heavy Industries în România începând din anul 2010.